Excel Stair Lift Wiring Diagram

25+ Excel Stair Lift Wiring Diagram Images. Find out here ricon wheelchair lift wiring diagram download. Just what is a wiring diagram?

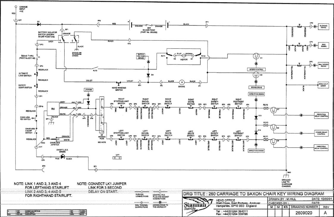
Stair Glide Wiring Diagram - Complete Wiring Schemas
Stair Glide Wiring Diagram - Complete Wiring Schemas from lh5.googleusercontent.com
For the transport of persons with disabilities in all straight. A wiring diagram is a sort of schematic which makes use of abstract photographic icons to show all the affiliations of components in a system. Thestairlift, stairlifts, stair lifts, stairlift buyers guide within stannah stair lift wiring diagram, image size 550 x 428 px.

A wiring diagram typically gives info concerning the family member setting and also plan of devices and terminals on the devices, to aid in structure or servicing the tool.

Just what is a wiring diagram? Determine and define of wires. Gn(22) 2 1 bk(18) bk(22) 1 2 rd(22) rd(18) color no. Study and design of a platform stairlift * use:


0 Response to "Excel Stair Lift Wiring Diagram"

Post a Comment

Iklan Atas Artikel

Iklan Tengah Artikel 1

Iklan Tengah Artikel 2

Iklan Bawah Artikel